Контроль сварных швов в отводах (соплах) представляет собой сложную задачу неразрушающего контроля, требующую гарантии обнаружения и точной локализации дефектов всех интересующих типов. Использование ультразвукового контроля с фазированной решеткой (PAUT) дает значительные преимущества по сравнению с рентгенографией и широко применяется в качестве предпочтительного метода для подобных сложных конфигураций. Однако операторы и инженеры уровня III сталкиваются с рядом технических проблем при разработке и проведении PAUT-контроля сварных швов отводов, главная из которых связана с изменяющейся геометрией основной трубы или сосуда.
По мере того, как датчик перемещается вокруг отвода, кривизна передней и задней стенок изменяется, что влияет на взаимодействие пучка с зоной сварки. Лучи становятся «перекошенными» в первой части в позициях за пределами 0, 90, 180 и 270 часов. При использовании обычных методов ультразвукового контроля (УЗК) может потребоваться много проходов сварного шва, требующих растрирования, а также перекоса движения датчика.
В этой статье мы рассмотрим использование усовершенствованной электроники и программного обеспечения с фазированной решеткой, а также специальных датчиков и сканеров с решеткой, чтобы обеспечить наиболее полный и эффективный подход к контролю для обеспечения успеха.
Ключевые требования к контролю сварных швов отводов
При разработке плана контроля сварных швов отвода важно убедиться, что:
- Эффект перекоса седловой поверхности компенсируется для обеспечения взаимодействия луча по всему объему сварного шва и почти зеркального отражения в интересующих областях обратно к датчику.
- Имеется достаточный охват объема сварного шва для всех положений сканирования с учетом изменения взаимодействия вокруг геометрии отвода.
- Лучи могут соответствующим образом взаимодействовать с поверхностями сплавления сварного шва и полными объемами сварного шва. Для сварных швов с подготовкой на основном сосуде или трубе в большинстве случаев потребуется пропустить заднюю поверхность, что требует правильного расчета для каждого поворотного положения с учетом изменения кривизны передней и задней стенок.
- Показания в результирующих данных отображаются правильно по отношению к трехмерному объему для характеристики, правильного местоположения и размера. Инструменты для «нарезки» модели являются большим преимуществом, помогающим изолировать показания в полном объеме компонента и, следовательно, при определении размеров и характеристик.
Рисунок 1: Эффект перекоса луча при повороте под углом 45 градусов на геометрии образца
Образец отвода и оборудование для испытаний
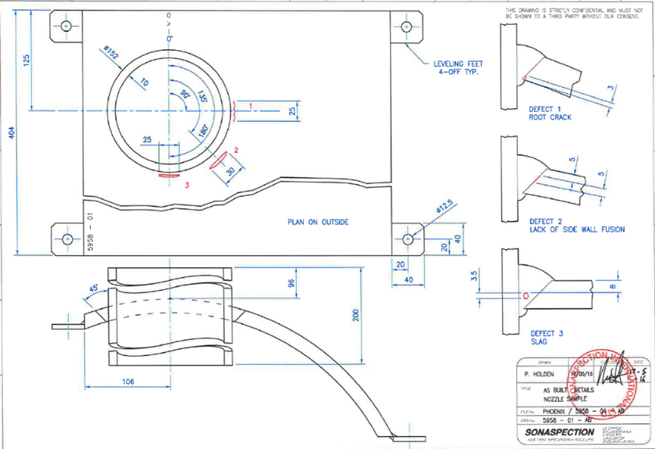
В этом примере использовалась образец, принадлежащая Phoenix ISL. Это образец отвода производства Sonaspection со встроенными дефектами.
Рисунок 2: Чертеж образца отвода Sonaspection
- Корневая трещина
- Отсутствие слияния боковых стенок
- Шлак
Сканер, используемый в этом тесте, представляет собой моторизованный NozzleScan Phoenix ISL. Инструментом, используемым в качестве контроля, является Eddyfi Technologies TOPAZ® 64, дистанционно управляемый с помощью программного обеспечения UltraVision® 3.
Рисунок 3: Внешний вид испытательной установки
Компоненты решения для контроля отводов
Аппаратное обеспечение
Программное обеспечение
3D проектирование контроля в UltraVision®
Чтобы спроектировать контроль с учетом трехмерной геометрии компонента, UltraVision 3D позволяет напрямую импортировать компонент в формате 3D CAD (файл SAT). Это дает доступ к целому ряду инструментов, помогающих в правильной разработке контроля, а также в сборе данных и анализе.
После импорта модели можно вставить искусственные дефекты, как показано зеленым цветом на рис. 4; они расположены и имеют размер в соответствии с планом, прилагаемым к отчету Sonaspection.
Рисунок 4: 3D-модель в UltraVision с предполагаемыми дефектами
Важно точно учитывать поведение сканера, когда речь идет о сборе данных о сложном образце; необходимо убедиться, что при анализе данные отображаются правильно по отношению к детали. Для этого исследования мы можем смоделировать «полярный» сканер в UltraVision, который находится на одной линии с используемым сканером, имея ось сканирования, вращающуюся вокруг отвода, а также исходящую от него индексную ось.
Чтобы обеспечить адекватное покрытие сварного шва и компенсировать эффект перекоса седловидной геометрии, необходимо использовать несколько углов перекоса луча.
2D матричные решетки для одновременных углов перекоса
Подход, принятый для этого исследования, заключается в том, чтобы использовать датчик с 2D матричной матрицей для электронного измерения нескольких углов наклона в одной ориентации датчика, что позволяет собирать все соответствующие данные в последовательности одного сканирования без необходимости физически наклонять датчик.
Рисунок 5: Трассировка лучей электронного перекоса луча
На рисунке 5 показаны углы наклона от -15 до +15 градусов для всех углов поворота по главной оси (от 40 до 70 SW) при одном положении датчика.
Карта покрытия и валидация контроля
Функция карты покрытия
Валидация контроля
Визуализация покрытия
Рисунок 6: Карта покрытия трассировкой лучей, показывающая лучи для трех выбранных лучей для всех положений сканирования
Сбор и анализ данных
Видео регистрации в реальном времени можно увидеть на рис. 7. Как видно на видео, для этой конкретной конфигурации возможно сканирование сварного шва с одного смещения индекса, за один проход и без механического перекоса преобразователя.
Видео 1: Демонстрация сканирования отвода с PAUT
Данные можно просматривать без поправки на угол наклона или объединять в один набор данных. Представления объединенных данных очень помогают в обнаружении и интерпретации, поскольку они учитывают все лучи и углы наклона с учетом их соответствующего направления луча и пути звука. На рис. 8 показаны объединенные данные с C-сканом, B-сканом и конечным видом.
Рисунок 7: Объединенные представления CB-End
3D анализ и секущие плоскости
Три индикации можно четко увидеть в объединенных данных, а наложение помогает с позиционированием индикации. Однако для точного позиционирования дефекта с учетом профиля поверхности, профиля задней стенки, геометрии сварного шва и углов пучка для всех положений мы используем передовые инструменты построения трехмерных данных UltraVision, чтобы отображать ультразвуковые данные в среде трехмерного компонента с использованием всех основных параметров.
Рисунок 8: Выбор объемных данных для построения трехмерных данных
Обработка данных в 3D-среде с помощью инструмента UltraVision для построения 3D-данных позволяет точно определять местоположение признаков и геометрических эхо-сигналов, помогая правильно характеризовать и определять местоположение обнаруженных признаков.
Рисунок 9: Трехмерное представление данных
Использование трехмерных секущих плоскостей в трехмерных видах UltraVision позволяет анализировать сложные компоненты, выделяя вид поперечного сечения для каждой позиции и, таким образом, помогая определить местоположение индикации, в данном случае в объеме сварного шва.
Видео 2: Видео, показывающее вырезание 3D-изображения и выделение поперечного сечения
Заключение
Контроль отводов и других компонентов сложной геометрии с помощью фазированной решетки может быть сложной задачей, а использование основных инструментов PA может привести к ложному заключению о том, что достигается полное покрытие объема. На практике это может быть не так, и есть вероятность, что недостатки будут упущены. Использование программного обеспечения для контроля, такого как UltraVision 3D, дает возможность выполнять полное проектирование, проверку и анализ данных в единой 3D-среде, обеспечивая оптимальную и эффективную технику контроля, продемонстрированную на этом вебинаре.
Ключевые преимущества подхода
- Полное покрытие объема: Гарантированное обнаружение дефектов благодаря 3D моделированию и валидации
- Эффективность: Сбор всех данных за один проход с помощью 2D матричных решеток
- Точность локализации: 3D построение данных для точного определения положения дефектов
- Наглядность анализа: Секущие плоскости и 3D визуализация для упрощения интерпретации
- Снижение рисков: Минимизация человеческого фактора и пропуска дефектов
Решение на основе UltraVision 3D и современного аппаратного обеспечения устанавливает новый стандарт для контроля сложных сварных соединений, обеспечивая беспрецедентный уровень надежности и точности в нефтегазовой, энергетической и других критически важных отраслях.

